定荣家轻钢别墅条形基础施工技术全解析
1、条形基础的作用是把墙或柱的荷载传递至地基,使之满足地基承载力和变形的要求
2、 基础的分类
基础类型有:条形基础、板式基础、独立基础。
轻钢别墅主要采用的是条形基础。
图2.1 条形基础整体完成图
3、 条形基础的优点
3.1 抗震性能好
可以很好的提高基础整体性,受力性能好,有利于抗震。
3.2 节约成本:轻钢别墅自重轻,仅为砖混结构房屋的五分之一左右,可以大大降低基础建造成本(相对于传统房屋,所需人力、材料都可以降低很多)。
3.3 取材方便
条形基础所使用的红砖、水泥、钢筋、砂石都是最普遍的建筑用材,价格便宜,取材方便。
3.4、公司会根据客户不同户型提供户型图纸。
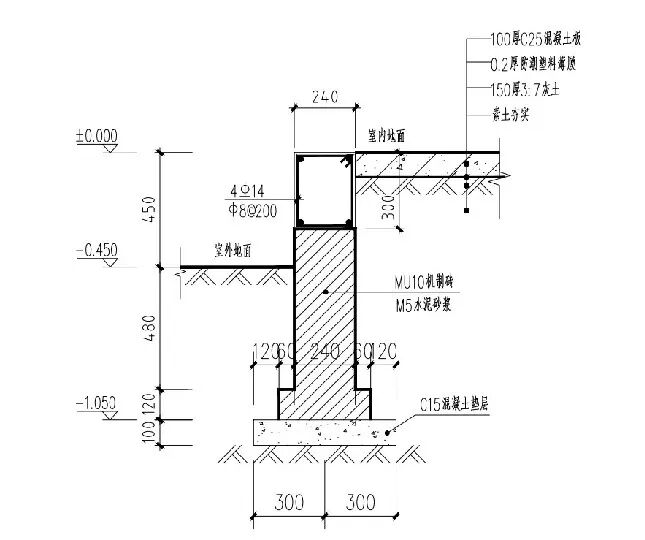
3.5、常用尺寸如图2.2所示:
图2.2轻钢别墅条形基础断面图
一、工具准备:钢尺、胶线、石灰粉、锤子、长钉、软水管、打夯机等。
二、材料准备:钢筋(Ø8 圆钢,直径 14 螺纹钢)、工程沙、水泥、石子、红砖、模板等

基础施工流程

1 将施工区域内的地下、地上障碍物清除,处理完毕。
2 根据业主提供的基准线(一般为大门中线和一条墙体边线)及图纸标注尺寸确
定房屋外包尺寸线及开挖边线,并将四个角点做好引点,便于开挖后重新拉线。
3 验槽:按表2.1进行检查,检查基槽长度及整体尺寸、基槽深度、断面尺寸等

表2.1 基槽深度及断面尺寸复核表
1 在垫层浇筑前要对基坑进行修整,清理表层浮土及扰动土,不得积水,并利用工具夯实基槽;
2 采用竹签对基坑的标高进行标识,防止多浇造成浪费,浇10cm厚的C20混凝土,浇筑时须将混凝土振捣密实;
3 垫层浇筑完成后要及时洒水养护,以防止开裂确保混凝土强度。

三、红砖砌筑
1 砖砌墙体定位放线,按照图纸尺寸进行放线,外墙全部放外边线,内墙放中心线(即轴线),方法同基坑放线,允许误差范围±10mm;
2 弹出水电管道预埋件位置线;
3 按照图纸位置及尺寸进行红砖砌筑,砌筑红砖施工顺序为:砖体湿润>砂浆搅
拌>挂线>铺砖>盘角>砌筑>墙体交接及转角处处理。

1 施工人员接到施工图纸后应认真熟悉图纸,了解水电安装工程的功能和施工方法。
2 根据水电安装预埋图纸在对应的位置敷设相应的排污PVC管(或套管),给水PPR管(或套管)及入户电缆保护钢管,确保在后续工序过程中预埋管件不会受损。
3 所有立管口需及时封堵,避免建筑垃圾掉入管内影响排水。

1 钢筋选用:
受力主筋按照图纸中标注的钢筋型号选用相应钢筋。
2 钢筋弯钩及调直处理:
钢筋弯钩为地梁两端各弯15cm,钢筋调直可用机械或人工调直。经调直后的钢筋不得有局部弯曲、死弯、小波浪形,其表面伤痕不应使钢筋截面减小5%。箍筋的末端应作弯钩,弯钩形式应符合设计及规范要求。
3 保护层底板及侧面保护层采用水泥垫块,以满足保护层要求。

1 按照图纸尺寸施工基础圈梁模板,施工前根据图纸圈梁平面图及外包尺寸图复核尺寸,确保无误,并在模板安装过程中保证各部分形状尺寸和相互位置的准确;
2 具有足够的承载力、刚度和稳定性,能可靠地承受新浇筑混凝土的自重和侧压,确保在浇筑过程中不会产生胀模、爆模。
3 按照水电布置要求在条形基础内预埋管道,作为水电管线的通道。
1 混凝土标号常采用C25,可采用商品混凝土或自拌混凝土。
2 在浇筑前时, 先将圈梁顶做好标记,打混凝土时不能超过标记,所有标记在一个平面上。
3 收面前必须校核混凝土表面标高,不符合要求处立即整改,确保表面平整。
4 已浇筑完的混凝土,常温下,应在12h左右覆盖和浇水。一般常温养护不得少于7天,养护设专人检查落实,防止由于养护不及时而造成混凝土出现裂缝或强度降低。
1 将基底表面上的树根、垃圾等杂物都处理完毕,清除干净。
2 检验土质:检验回填上料的种类、粒径,有无杂物,是否符合规定。
3 分层填土,每层铺土的厚度不超过300mm。
4 采用手扶打夯机分层夯打密实或人工夯实。夯打时夯迹应相互搭接,防止漏夯。
▲人工夯土
▲打夯机
▲勾机夯土
1 回填土按标高夯实后,在面层铺设一层250微米厚聚乙烯塑料膜作为防潮层,塑料膜利用重物压稳,防止被风吹跑。

2 混凝土标号常采用C20,可采用商品混凝土或自拌混凝土。
3 混凝土浇筑时须保证振捣密实,确保混凝土质量。
4 混凝土地面浇筑厚度一般为10-15cm,1层房屋常用10cm,2-3层房屋常用15cm。
5 浇筑时注意保护预埋的水电管道,不能碰坏导致进桨堵塞管道,同时须保证管道竖直度,便于后续的水电施工。
6 另注意 不能破坏防潮层薄膜,防止局部失去防潮功能。
▲整体浇筑
▲室内地面断面图
▲完成图

