挂墙式衣帽间设计应用解析

挂墙式衣帽间:是指通过敞开式布局,反传统的衣帽间设计,将五金系统、灯光系统和极具现代风格的墙板,演绎出既简约又典雅,既高贵又不庸俗的衣帽间设计。
随着人们生活质量不断提高,几乎每个人都拥有几十件甚至更多的衣服,这些款式、质地不同的服装的累积,人们开始对其进行分类收纳,因此衣帽间正逐步成为每个家庭空间中不可或缺的一部分。
家居中的衣帽间给人生活带来许多便捷的同时还会使在衣帽间中更衣的人带来愉悦的心情和自信,更可以成为家居设计中的亮点。每一个女人都渴望拥有自己独立的衣帽间,每当疯狂购物之后都能整齐条理地陈列摆放出来,可以说一个时尚得体的衣帽间,是我们精致生活的完美体现。
关键词:宁静、质感、简约、典雅
适合人群:喜欢现代、简约设计,生活有品味、追求时尚,内外兼修的人士
空间搭配:采用挂墙式设计,极富现代设计感,色泽深邃安静,适合简约风格的空间,不宜采用浓烈而张扬的饰品搭配
柔美舒适的灯光、金属质感的挂件、富有温和的板材,烘托出主人高贵典雅的居家生活。
一反传统掩门衣柜工艺,敞开式的设计运用,令衣物摆放整整齐齐,配上LED灯和感应器,寻找衣物一目了然。
强大的挂墙系统,长短隔板的运用,分割出不同的空间,增加了衣柜的收纳功能。
本产品主要是由三个系统组成:
一、板材系统
二、五金系统
三、灯光系统

板材是挂墙衣帽间的重要组成部分,常用板材分为免漆板、预油漆板(混油、科技木皮、染色木皮、天然木皮)、实木板、皮革板和布纹板等。
板材厚度一般情况下层板用25板和36板,墙板用18板

油漆板

科技木皮板

天然木皮板和染色木皮板


皮革板(面板、层板、背板、层垫等)

布纹板
挂墙衣帽间的五金件包含立柱、立柱调节件、可调底座、墙板扣件、层板支撑件、鞋架支撑件、层板托件、层板螺栓、鞋架中间档板、鞋架前挡板、柜体挂件、衣杆、衣杆座、嵌入式LED灯、玻璃层板灯、带衣杆玻璃层板灯、红外感应开关、无线遥控开关、电源等。

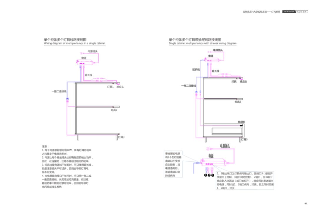
灯光系统分为顶板灯、木层板灯、玻璃层板灯、抽屉灯和踢脚线灯,除此之外还需要有感应头、控制器、延长线、变压器、电源级联线控、隐线槽等,安装方式有前明装式、后明装式、前暗装式、后暗装式,走线方式有嵌入式灯走线和明装式灯走线,发光位置有两种,两面发光和三面发光,感应头有开关门感应开关、挥手感应开关、人体感应开关、单开门感应开关、双开门感应开关等,色温范围<3300k,为暖光光源,3300-5000k为中间光源,>5000K为清冷光源,企业可根据厂家的参数和自身需求设定色温值。








1、挂墙衣帽间对安装墙面的要求:对墙面没有特别要求,需保证基本的平整;
2、找对立柱的基准面;
3、安装调节底座,先安装两颗固定螺丝,再装调节螺栓;
4、将毛条插入立柱;
5、组装立柱调节件;
6、调节的间距在500~600mm左右;
7、立柱调节的螺栓应在立柱的漏槽处;
8、用六角扳手将其固定;
9、根据图纸安装第一根立柱的位置;
10、通过立柱调节件调节立柱的垂直度固定第二根、三根...立柱;
11、用卡扣扳手调节立柱的高度,将所有立柱的底座调整到一个水平线上;
12、将装好的墙面固定件的背板固定到立柱上;
13、以此类推,逐个安装背板;
14、安装单边层板支撑、双边层板支撑、中间共用层板之间的组件;
15、安装层板、抽屉等木质部分;
16、安装功能五金件;
17、安装收纳系统。



以一套衣帽间的平面图、立面图、剖面图、大样图以及标准柜清单、标准件清单为例,说明挂墙衣帽间的设计方法。





挂墙衣帽间的设计复杂,繁琐,要设计好一个衣帽间并不容易,青木结合人体工程学、人居的使用习惯、板材的利用率、收纳功能、五金配件的参数等研发出的挂墙衣帽间单元柜模块,共15个单元模块,三种宽度(600、800、900),两种高度(2400、2800)以及可调节模块,可任意组合成多种不同功能不同款式的衣帽间,可快速设计、快速完成方案,快速下单,通过板材颜色的变化、五金件的变化,演绎出不同的产品。
单元模块可根据空间需求分别组合为L形挂墙式衣帽间、U形挂墙式衣帽间、一字形挂墙式衣帽间。

举例说明——案例一


举例说明——案例二



举例说明——案例三

举例说明——案例四








