米菲系列产品检测证书大全,做到让宝宝用的舒心,让妈妈放心~
除了奶粉
妈妈们最关心的母婴用品就是纸尿裤了
杭州米友圈(米菲的运营公司)向第三方权威检测机构
送检我们所有的产品
测试其吸收性能、透气性、可迁移性荧光增白剂
游离甲醛含量、卫生指标等项目
各个检测指标是什么意思?
下面给大家简单介绍一下主要检测指标的意义
渗透性能 滑渗量:主要和表层对尿液的亲水性有关。一般亲水性越好,滑渗量越小,同时滑渗量与吸收速度等很多因素也有一定相关性,能够在一定程度上反映纸尿裤吸水速度的快慢。
回渗量:反映的是纸尿裤的吸收能力与锁水能力。如果在一定压力下,回渗量较大,会导致宝宝皮肤与尿液接触,容易滋生细菌,伤害皮肤。
渗漏量:反映的是尿液从纸尿裤底膜漏出的量。如果渗漏量过大,纸尿裤相当于没有发挥基本的使用性能。
吸水性能 吸水速度:宝宝尿尿过程中,如果纸尿裤不能快速吸收尿液,就有可能漏尿;吸收速度较慢,宝宝皮肤与尿液接触时间过长,也可能伤害皮肤。 不起坨不断层:主要关系到宝宝使用时的舒适度。
透气性 宝宝的皮肤汗腺排汗孔很少,不能很好地控制皮肤的温度。如果纸尿裤透气性不佳,尿液被吸收后,热气和湿气易使宝宝产生闷热感,严重的会造成小屁屁红肿、发炎,产生尿布疹等。
荧光增白剂 荧光增白剂的潜在风险让不少父母心有担忧。不过在本次检测中,均未检出「可迁移性荧光增白剂」,父母不必担心。
1.SOLOVE米菲婴儿纸尿裤检测报告
① SOLOVE米菲婴儿纸尿裤荧光剂检测报告


② SOLOVE米菲婴儿纸尿裤甲醛检测报告


2.SOLOVE米菲婴儿WELL C拉拉裤裤检测报告
SOLOVE米菲婴儿WELL C拉拉裤甲醛检测报告



3.SOLOVE米菲牛仔纸尿裤检测报告
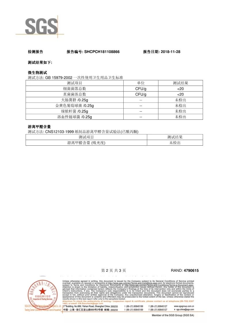
SOLOVE米菲牛仔纸尿裤微生物检测报告
4.SOLOVE米菲游泳裤检测报告
SOLOVE米菲游泳裤微生物检测报告


5.SOLOVE米菲防溢乳垫检测报告
① SOLOVE一次性乳垫微生物检测报告



② SOLOVE一次性乳垫荧光测试报告



6.SOLOVE米菲隔尿垫检测报告
米菲ANYONE婴儿隔尿垫外检报报告





7.SOLOVE米菲干湿两用棉柔巾检测报告
米菲干湿两用棉柔巾甲醛+荧光剂+微生物检测报告



8.SOLOVE米菲小猪佩奇柔纸巾检测报告
小猪佩奇柔纸巾荧光剂+微生物检测报告


9.SOLOVE米菲湿巾检测报告
SOLOVE米菲湿巾甲醛+微生物检测报告



10.SOLOVE米菲厨房巾检测报告
暂缺
11.SOLOVE米菲一次性围兜检测报告
暂缺
12.SOLOVE米菲卫生巾检测报告
① 卫生巾荧光测试报告



② 经期裤荧光测试报告


③ 日用195卫生巾微生物检测报告


④ 日用240卫生巾微生物检测报告


⑤ 夜用320卫生巾微生物检测报告



⑥ SOLOVE裤型卫生巾微生物报告



⑦ SOLOVE新品卫生巾检测报告





13.植迹面膜检测报告
① 植迹安心水润保湿面膜-基本九项





② 植迹安心水润保湿面膜-多皮






③ 植迹酵母青春嫩肤精华液-斑贴


④ 植迹酵母青春嫩肤面膜-斑贴


更多精彩
请关注

