占地面积120㎡,非常适合在农村建的别墅,可以先收藏起来
很多地方的农村建房对宅基地的要求都非常苛刻,面积一般都限制在120平米左右,超过了这个限制就不给审批。这就给我们广大别墅设计师提出了更高的要求,要在不超出面积的前提下还要外观时尚漂亮,室内的布局也一样都不能少,城市商品房别墅有的,农村别墅一样要有!今天小编就给大家推荐一款占地面积在120平米的别墅户型,非常符合农村地区的建房需求和生活需要。

这款户型非常受欢迎,文化石加白色的磁砖拼接,让整个房子显的很大气,圆弧形的外观,既有设计感,又让房子变的圆润起来。屋顶露台的设计,让田园的休闲浪漫风光尽在眼底。
基本信息
占地尺寸:11x11.3米
占地面积:120.85㎡
建筑面积:307.63㎡
建筑结构:装配式建筑轻钢结构

一 层: 客厅、卧室、厨房、餐厅、卫生间、车库或储藏室;

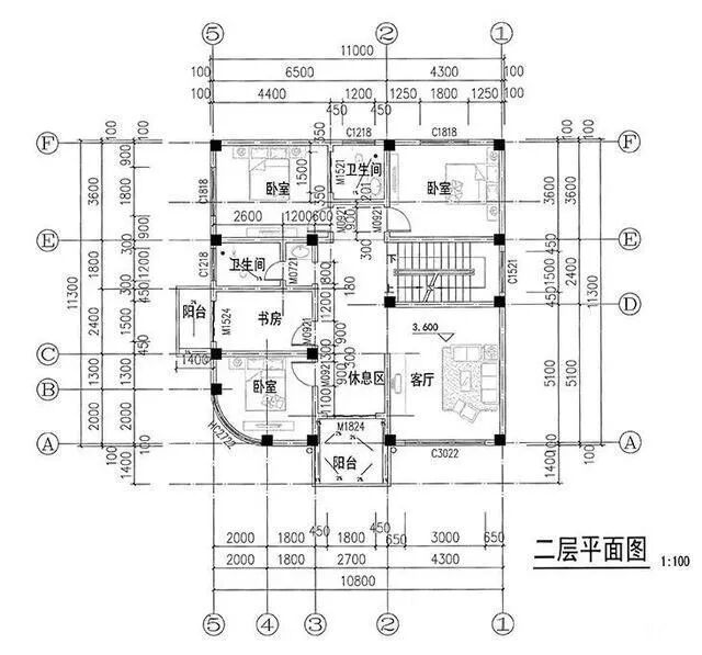
二 层: 客厅、卧室(附卫生间)、2卧室、书房(附阳台)、卫生间、阳台;

三 层: 2卧室(附卫生间)、露台
别墅不一定非得说是豪华奢侈,那对我们很多人来而言不切合实际,但也要显得有品位、大气,同时符合农村生活习俗、经济实用。
内装的档次
对于这一款别墅,你觉得怎么样呢?有兴趣的可以直接添加下方微信二维码
版权说明:部分图文素材来源于网络,版权归原作者所有,如涉及作品内容、版权和其他问题,请与本网联系,我们将在第一时间删除内容。

