满满的惊喜!这5款轻钢别墅自带车库,设计太赞了
最近,有人在后台问,为什么我们设计的轻钢别墅没有带车库的,如你们所愿,就给大家分享5款带车库的轻钢别墅,记得要收好哦!
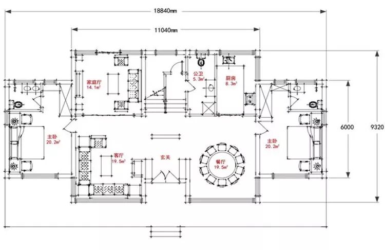
01
占地尺寸:18.8mx9.3m
占地面积:147㎡
建筑面积:253㎡
建筑结构:装配式钢结构
平面布局:一层:玄关、餐厅、客厅、家庭厅、厨房、主卧(带卫生间)、次卧、公卫。
二层:卧室x3、卫生间、书房。
02
占地尺寸:11.6mx9.1m
占地面积:105.56㎡
建筑高度:9.31m
建筑结构:装配式钢结构
平面布局:一层:门廊、餐厅、客厅、厨房、主卧、次卧、卫生间、储物间。
二层:卧室x3、卫生间、大露台、阳台。
03
占地尺寸:17.5mx11m
建筑面积:360㎡
建筑高度:8.2m
建筑结构:装配式钢结构
平面布局:一层:门廊、玄关、餐厅、客厅、厨房、主卧(带书房、衣帽间、卫生间)、次卧、卫生间。
二层:主卧(带衣帽间、卫生间)、次卧(带卫生间)、休闲厅、露台。
04
占地尺寸:11.7mx11.1m
占地面积:137.8㎡
建筑面积:196.7㎡
建筑结构:装配式钢结构
平面布局:一层:走廊、餐厅、客厅、厨房、主卧(带卫生间)、次卧、公卫、棋牌室。
二层:卧室x2、卫生间、起居室、露台。
05
占地尺寸:12.9mx12m
占地面积:136.3㎡
建筑面积:209.47㎡
建筑结构:装配式钢结构
平面布局:一层:餐厅、客厅、厨房、主卧(带卫生间)、次卧x2、公卫。
二层:主卧(带衣帽间、书房、独卫)、杂物间x4。

