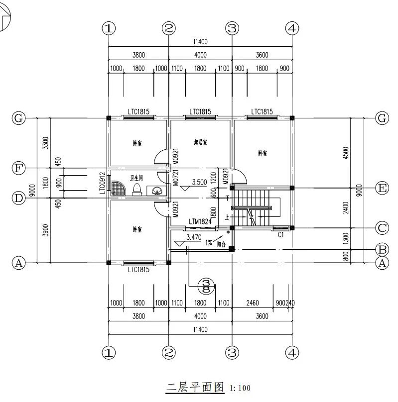
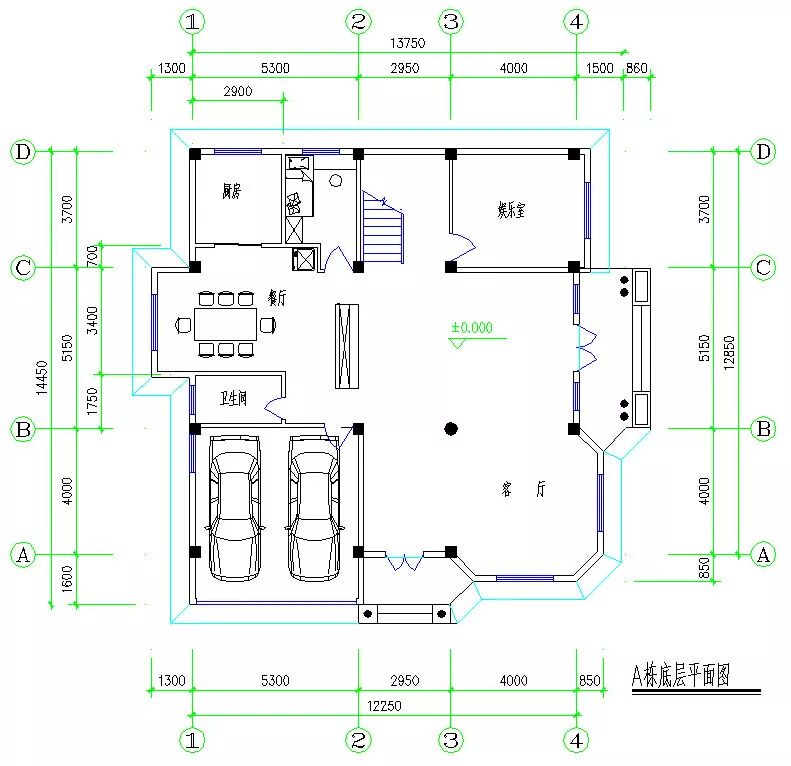
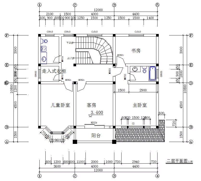
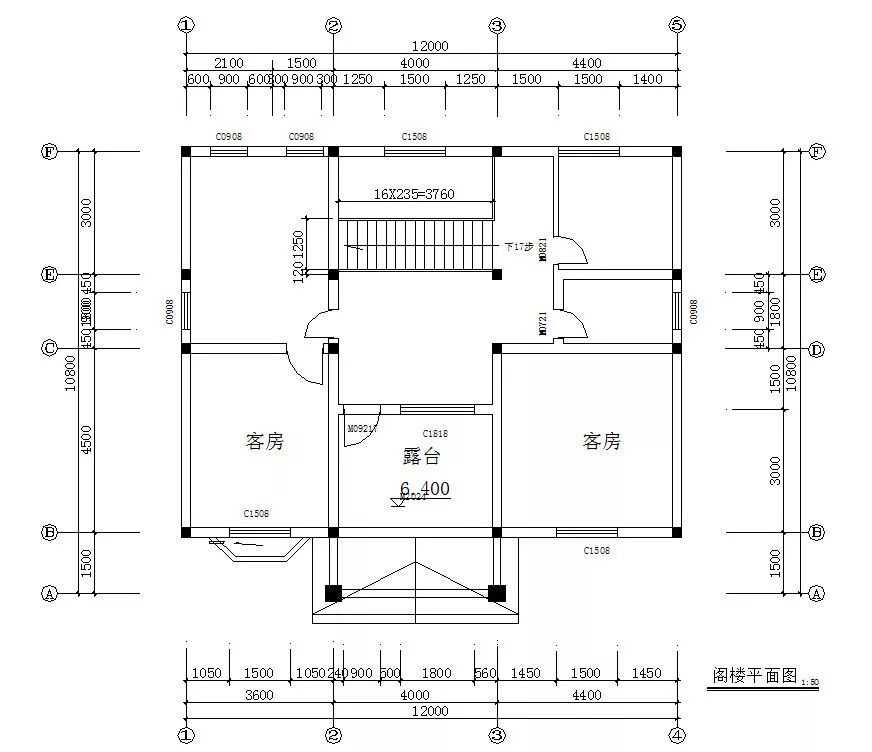
轻钢户型图:2020年的抢手户型!这十三款很多人都抢着建




点我咨询留下您的需求,我会第一时间回复您!
点我咨询


上一篇:谁与争锋!看看这7款别墅三层别墅如何美出新高度的
下一篇:美到无法无天!这6种轻钢别墅在朋友圈刷屏,惊艳众人